0086 15335008985
| Para./model | প্রযুক্তিগত পরামিতি | বেস অংশ | বাহ্যিক অংশ | ||||||||||||||||
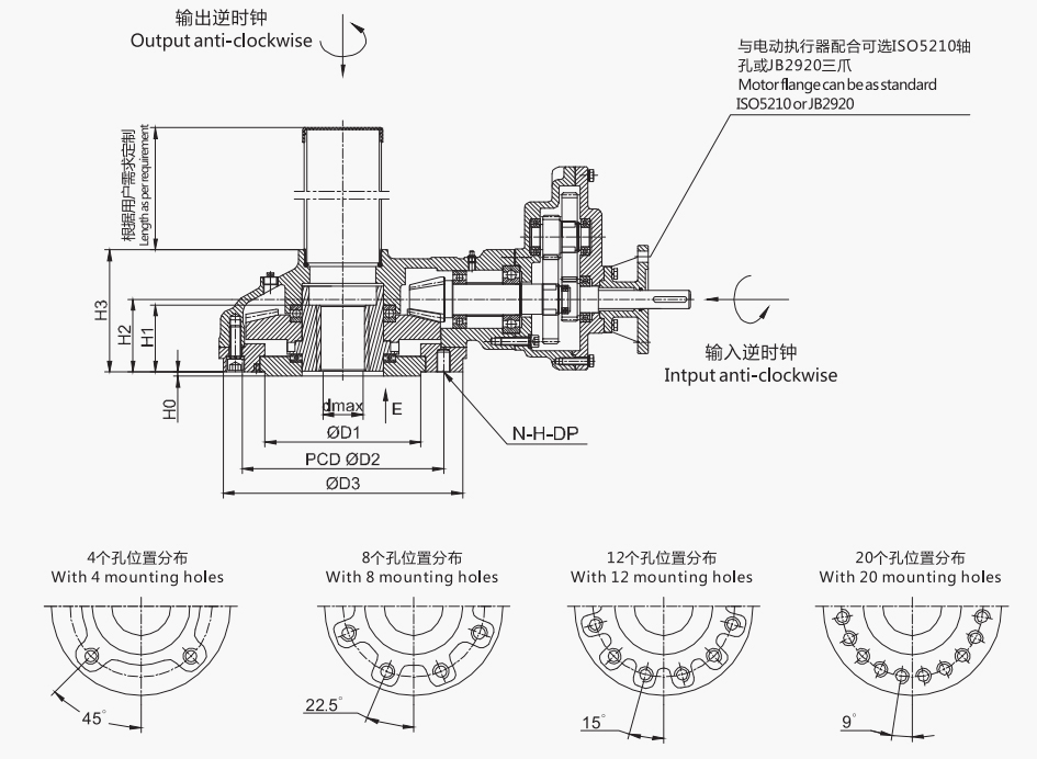
| রেটিং আউটপুট এনএম | স্ট্যান্ডার্ড অনুপাত | ইনপুট এনএম | এম.এ. ± 10% | Al চ্ছিক অনুপাতের পরিসীমা | সর্বোচ্চ.বোর ডায়া। মিমি | সর্বোচ্চ থ্রাস্ট কেএন | বৈদ্যুতিক অ্যাকুয়েটর সংযোগ | ভালভ সংযোগ acc.is0521 | ডি 1 | পি.সি.ডি. | ডি 3 | এইচ 0 | এইচ 1 | এইচ 2 | এইচ 3 | ||||
| IS05210 | জেবি 2920 | স্ট্যান্ডার্ড মাউন্টিং | Al চ্ছিক মাউন্টিং | ডি 2 | এন-এইচ-ডিপি | ||||||||||||||
| ডাল-জেড 03 | 350 | 4: 1 | 105 | 3.4 | - | 40 | 93 | F10 | জেড 10 | F12 | F10 | 85 | 125 | 4-এম 12-18 | 150 | 3 | 53 | 68 | 109 |
| ডাল-জেড 05 | 550 | 4: 1 | 165 | 3.4 | - | 52 | 127 | F10-F14 | জেড 10-জেড 20-জেড 30 | F14 | F12 | 100 | 140 | 4-M16-24 | 175 | 3 | 65 | 78 | 125 |
| ডাল-জেড 1 | 900 | 4: 1 | 265 | 3.4 | - | 60 | 141 | F10-F14 | জেড 10-জেড 20-জেড 30 | F16 | F14 | 130 | 165 | 4-এম 20-30 | 210 | 4 | 73 | 91 | 138 |
| ডাল-জেড 2 | 1400 | 4.2: 1 | 395 | 3.5 | - | 65 | 190 | F10-F14 | জেড 30-জেড 45 | F20 | F16 | 140 | 205 | 8-M16-24 | 250 | 4 | 77 | 81 | 140 |
| ডাল-জেড 2-1 সি* | 9.8: 1 | 190 | 7.4 | 6.7 ~ 9.8 | F10-F14-F16 | জেড 20-জেড 30-জেড 45 | |||||||||||||
| ডাল-জেড 2-1 এস | 13.6: 1 | 145 | 9.8 | 8.7 ~ 18.8 | F10-F14 | জেড 10-জেড 20-জেড 30 | |||||||||||||
| ডাল-জেড 3 | 2500 | 4.1: 1 | 720 | 3.5 | - | 75 | 268 | F10-F14-F16 | জেড 30-জেড 45-জেড 60 | F25 | F16 | 200 | 254 | 8-M16-24 | 300 | 4 | 86 | 88 | 152 |
| ডাল-জেড 3-1 সি* | 9.6: 1 | 345 | 73 | 6.6 ~ 9.6 | F10-F14-F16 | জেড 20-জেড 30-জেড 45-জেড 60 | |||||||||||||
| ডাল-জেড 3-1 এস | 18: 1 | 195 | 13 | 9 ~ 24.6 | F10-F14 | জেড 10-জেড 20-জেড 30 | |||||||||||||
| ডাল-জেড 5 | 4000 | 5.2: 1 | 905 | 4.4 | - | 90 | 308 | F14-F16-F25 | জেড 45-জেড 60-জেড 90 | F30 | F25 | 230 | 298 | 8-এম 20-30 | 350 | 4 | 102 | 108 | 181 |
| ডাল-জেড 5-1 সি | 12.2: 1 | 435 | 9.3 | 8.3 ~ 12.2 | F10-F14-F16 | জেড 30-জেড 45-জেড 60 | |||||||||||||
| ডাল-জেড 5-1 এস | 23: 1 | 245 | 16.5 | 11.5 ~ 31.3 | F10-F14 | জেড 10-জেড 20-জেড 30-জেড 45 | |||||||||||||
| ডাল-জেড 8 | 6000 | 5.6: 1 | 1270 | 4.7 | - | 110 | 377 | F16-F25-F30 | Z90-z120-z180 | F35 | F30 | 260 | 356 | 8-এম 30-45 | 420 | 5 | 132 | 14 | 238 |
| ডাল-জেড 8-1 সি | 18: 1 | 440 | 13.7 | 10.5 ~ 18 | F14-F16-F25 | জেড 30-জেড 45-জেড 60-জেড 90 | |||||||||||||
| ডাল-জেড 8-1 এস | 37.9: 1 | 220 | 27.3 | 20 ~ 50.4 | F10-F14-F16 | জেড 20-জেড 30-জেড 45-জেড 60 | |||||||||||||
| ডাল-জেড 10 | 8000 | 6.3: 1 | 1500 | 5.3 | - | 130 | 427 | F16-F25-F30 | Z90-Z120-Z180 | F40 | F35 | 300 | 406 | 8-এম 36-50 | 475 | 6 | 138 | 168 | 270 |
| ডাল-জেড 10-1 সি* | 20.3: 1 | 525 | 15.4 | 11.8 ~ 20.3 | F14-F16-F25 | জেড 45-জেড 60-জেড 90-জেড 120 | |||||||||||||
| ডাল-জেড 10-1 এস | 42.8: 1 | 260 | 30.8 | 22.4 ~ 56.7 | F10-F14-F16 | জেড 20-জেড 30-জেড 45-জেড 60 | |||||||||||||
দ্রষ্টব্য:
"*" সহ মডেলের জন্য, ইনপুট ঘূর্ণন দিকটি আউটপুট ঘূর্ণন দিকের বিপরীত, যেমন ডাল-জেড 2-1 সি, যখন ইনপুট ঘূর্ণনটি ঘড়ির কাঁটার দিকে থাকে, আউটপুট ঘূর্ণনটি ক্লকওয়াইজ হয়।
একক পর্যায়
বি ডাবল পর্যায়
সি ডাবল পর্যায়
পণ্য ভূমিকা
বিএইচ-ভি সিরিজ (স্ট্যান্ডার্ড টাইপ), আরকে এবং 2 সি সিরিজ (আরও বড় ভালভ স্টেম ডায়া।), বিএ সিরিজ (ঘরোয়া বিক্রয়ের জন্য), 7 বিএইচ সিরিজ (নন থ্রাস্ট) এবং আরএমএমডি সিরিজ সহ পাঁচটি সিরিজ মাল্টি টার্ন গিয়ার বাক্স রয়েছে (তিনটি ইনপুট)। শরীরের al চ্ছিক উপাদানগুলি নমনীয় আয়রন, কার্বন ইস্পাত ইত্যাদি হতে পারে F07 থেকে F60.TORQE পরিসীমা 50000nm পর্যন্ত LS05210 অনুসারে ফ্ল্যাঞ্জ মাউন্টিং।
আবেদন
কাস্ট এবং ফাবযুক্ত স্লুইস গেটস, গেট ভালভ, গ্লোব ভালভের জন্য জল, তেল, গ্যাস, রাসায়নিক, শক্তি এবং সাধারণ শিল্প অ্যাপ্লিকেশনগুলির জন্য উপযুক্ত গিয়ার বাক্সগুলি।
বৈশিষ্ট্য
উপযুক্ত ম্যানুয়াল এবং মোটরসাইজড অ্যাপ্লিকেশনটির জন্য ডিজাইন করা পণ্য। এছাড়াও লকিং ডিভাইস এবং চেইন হুইল সরবরাহ করতে পারে। এলএসও 5210 বা জেবি 2900 অনুসারে মোটর ফ্ল্যাঞ্জ;
স্ট্যান্ডার্ড শরীরের উপকরণগুলি নমনীয় আয়রন এবং কার্বন ইস্পাত। কাস্টমাইজড লো তাপমাত্রা ইস্পাত বা স্টেইনলেস স্টিল al চ্ছিক;
পরিবেষ্টিত তাপমাত্রা: -20 ℃ থেকে 120 ℃ এবং কম তাপমাত্রার পরিবেশের জন্য যেমন -30 ℃, -40 ℃, -59 ℃ ইত্যাদি হিসাবে কাস্টমাইজ করা যায়:
স্ট্যান্ডার্ড সুরক্ষা গ্রেড এলপি 65, এবং এলপি 67, এলপি 68 কাস্টমাইজ করা যেতে পারে।
মডেল বর্ণনা
BH-vseries
বিএইচ-ভি: একক পর্যায়, যেমন বিএইচ-ভি 0
বিএইচ-ভি-এস: ডাবল স্টেজ, "এস" হ'ল হ্রাস গিয়ারের কোড, যেমন বিএইচ-ভি 35-1 এস
মডেল নম্বরটি মোটরযুক্ত অ্যাপ্লিকেশন সহ গিয়ার বক্সের জন্য "ডি" দিয়ে শুরু হয়েছিল।
যেমন ডিবিএইচ-ভি 0।
আরকে এবং 2 সি কে সিরিজ বড় ভালভ স্টেমের জন্য উপযুক্ত
আর কে এবং 2 সি কে নম্বর: একক পর্যায়, যেমন আরকে 05,2 সি কে 2 ইত্যাদি
2 সি কে-এস: ডাবল স্টেজ, "এস" হ'ল হ্রাস গিয়ারের কোড, যেমন 2CK3-1S
মডেল নম্বরটি মোটরযুক্ত অ্যাপ্লিকেশন সহ গিয়ার বক্সের জন্য "ডি" দিয়ে শুরু হয়েছিল।
যেমন drk05.d2ck3।
সিরিজ বৈশিষ্ট্য
বিএইচ-ভি ও এমএ সিরিজ
ম্যানুয়াল এবং মোটরযুক্ত অ্যাপ্লিকেশনগুলির দাবিতে মাল্টি-টার্ন বেভেল গিয়ার বক্স সুয়ালবে সম্পূর্ণ পরিসীমা। গেট ভালভ, গ্লোব ভালভ এবং স্লুইস গেটস.ইটিসি -তে ব্যাপকভাবে ব্যবহৃত হয়।
প্রধান উপকরণগুলি হ'ল ইস্পাত, নমনীয় আয়রন ইত্যাদি, বিকল্প, উপাদান, নিম্ন তাপমাত্রা ইস্পাত, স্টেইনেস স্টিল।
টর্ক 2220nm থেকে 50000nm (162 থেকে 36900 lbf.ft) এর মধ্যে রয়েছে
থ্রাস্ট পরিসীমা 75kn থেকে 4000 কেএন।
জলরোধী গ্রেড: এলপি 65, এলপি 67 এবং এলপি 68 al চ্ছিক;
পরিবেষ্টিত তাপমাত্রা: -20'cto 120 'c, তবে -30'C, -40'C, -59'C এবং অন্যান্য নিম্ন তাপমাত্রা al চ্ছিক
বিয়ারিনা, আরও নমনীয় সংক্রমণ, উচ্চতর দক্ষতা ব্যবহার করে অর্ক টুথ ডেসিয়ান অ্যাডন্টস।
আর কে এবং 2 সি কে সিরিজ
ম্যানুয়াল এবং মোটরযুক্ত অ্যাপ্লিকেশনগুলির দাবিতে মাল্টি-টার্ন বেভেল গিয়ার বক্স সুয়ালবে সম্পূর্ণ পরিসীমা। গেট ভালভ, গ্লোব ভালভ এবং স্লুইস গেটস.ইটিসি -তে ব্যাপকভাবে ব্যবহৃত হয়।
ড্রাইভ হাতা এবং ড্রাইভ বুশ অবিচ্ছেদ্য ধরণের, বৃহত্তর ভালভ স্টেম ডায়া গ্রহণ করতে পারে।
প্রধান উপকরণগুলি কাস্ট ইস্পাত, কম তাপমাত্রা ইস্পাত এবং স্টেইনলেস স্টিল al চ্ছিক;
জলরোধী গ্রেড: এলপি 65;
পরিবেষ্টিত তাপমাত্রা: -20'C থেকে 120 সেন্টিগ্রেড, তবে -30'C, -40'C, -59'C এবং অন্যান্য নিম্ন তাপমাত্রা al চ্ছিক
বিয়ারিং, আরও নমনীয় সংক্রমণ, উচ্চতর দক্ষতা ব্যবহার করে আর্ক দাঁত নকশা গ্রহণ করে।
7 বিএইচ সিরিজ
লাইট-ডিউটি বেভেল গিয়ার বক্সটি ভালভের জন্য উপযুক্ত যা অপারেটরের কাছে থ্রাস্ট স্থানান্তর করে না, 2 মডেল সহ, মাউন্টিং ফ্ল্যাঞ্জ ব্যবহারকারীর মতে কাস্টমাইজ করা যেতে পারে, আরও ভাল ম্যাচিং ভালভ;
প্রধান উপাদান হ'ল নমনীয় আয়রন:
জলরোধী গ্রেড: এলপি 65, | পি 67 এবং এলপি 68 al চ্ছিক;
জলরোধী গ্রেড: এলপি 65;
পরিবেষ্টিত তাপমাত্রা: -20'C থেকে 120 ডিগ্রি সেন্টিগ্রেড
বিয়ারিং, আরও নমনীয় সংক্রমণ, উচ্চতর দক্ষতা ব্যবহার করে আর্ক দাঁত নকশা গ্রহণ করে।
আরএমএমডি সিরিজ
তিনটি ইনপুট সহ ত্রি-মুখী টাইপ বেভেল গিয়ার বক্স Drive ড্রাইভ হাতা এবং ড্রাইভ বুশ অবিচ্ছেদ্য প্রকার, এবং বৃহত্তর ভালভ স্টেম ডায়া গ্রহণ করতে পারে। ম্যানুয়াল এবং মোটরযুক্ত অ্যাপ্লিকেশনগুলির দাবিতে উপযুক্ত।
এই সিরিজটি আরকে এবং 2 সি কে সিরিজে পরিবর্তন করা হয়েছে, সুতরাং এটি আরকে এবং 2 সি কে সিরিজের সাথে একসাথে ব্যবহার করা যেতে পারে;
আরএমএমডি সিরিজ পণ্যগুলি ব্যবহার করার সময়, তিনটি ইনপুট ঘূর্ণন দিকের দিকে মনোযোগ দিন;
প্রধান উপকরণ: কাস্ট ইস্পাত; নিম্ন-তাপমাত্রা ইস্পাত এবং স্টেইনলেস স্টিল al চ্ছিক;
জলরোধী গ্রেড: পি 65:
পরিবেষ্টিত তাপমাত্রা: -20'C থেকে 120 'সি, তবে -30'C, -40'C, -59'C এবং অন্যান্য নিম্ন তাপমাত্রা al চ্ছিক
বিয়ারিং, আরও নমনীয় সংক্রমণ, উচ্চতর দক্ষতা ব্যবহার করে আর্ক টুথ ডেসিয়ান গ্রহণ করে 3
















